Products

Categories

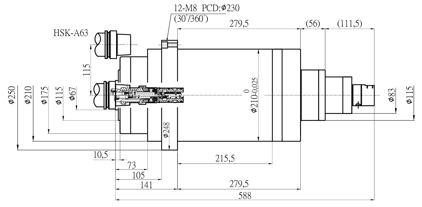
HSK-A63 Ultra-high Speed Milling Spindle SY-210-30K-41kW

HSK-A63 Ultra-high Speed Milling Spindle SY-210-30K-41kW

Specification

Housing Diameter (mm) ϕ210h6
Operating Speed (RPM) 30,000
Power S1/S6 (kW) 35/41
Nominal Speed (RPM) 12,000
Voltage (V) 380V
Motor Type Asynchronous
Torgue S1/S6 (Nm) 27.9/32.8
Bearing Lubrication Oil-Air
Tool Interface HSK-A63
Motor Cooling Water
Axial Rigidity (N/um) 270
Radial Rigidity (N/um) 330

Features

  • High Precision : Spindle runout below 2μm ensures consistent accuracy for precision manufacturing.
  • Encoder Integration : Improves rotational control and positioning precision.
  • Thermal Control: Integrated water-cooling suppresses thermal growth and stabilizes temperature.
  • Ceramic Bearings: High-durability ceramic bearings with low thermal expansion ensure long-term accuracy.
  • Ultra-High Speed : Supports speeds for micro machining and high-efficiency grinding.

Dimensions

Motor Characteristics