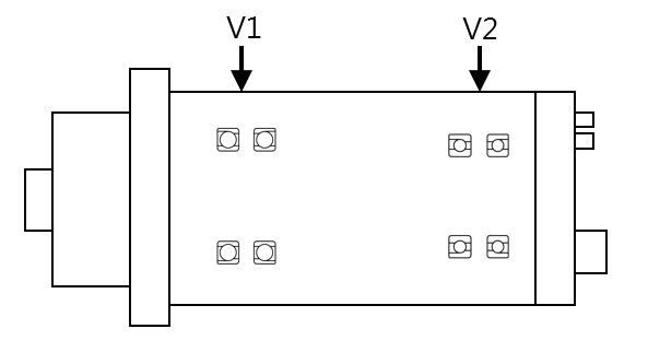
Spindle vibration testing involves measuring the amplitude and frequency of vibrations during operation to determine whether they exceed acceptable limits. Key measurement points include the fixed bearing side (V1) and the free bearing side (V2), as shown in Fig. 1. Accurate spindle vibration analysis helps prevent unexpected failures, extend spindle lifespan, and enhance equipment reliability and machining precision.

Fig. 1 Spindle Vibration Test Diagram
Spindle Vibration and Dynamic Balancing Standards
Spindle vibration and dynamic balancing accuracy are critical to machining quality and machine lifespan. The industry commonly follows ISO 1940 dynamic balancing standards, which classify balance precision into 11 grades and are globally recognized for rotating machinery as shown in Table 1.
Proper dynamic balancing reduces vibration, enhances spindle stability, and extends bearing life. The chart below outlines the commonly used balance grades and their corresponding permissible unbalance values, helping ensure smooth spindle operation and high-precision performance.

Table 1 ISO 1940 Guidance for balance quality grades